
图中所示为等离子电视连接支架。材料为SPCD,料厚为1.6mm,原工艺采用1副多工位弯曲级进模和一副铆接模来完成,也就是说在专业厂家采购的铆钉和在多工位级进模生产出的弯曲件经过铆接模铆合在一起。所需模具及设备多,机床利用率低,而且成本较高,并且制件的铆接部分在流水线上安装时容易脱落、松动导致质量不稳定。

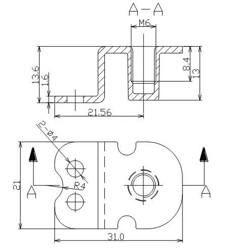
图1 等离子电视连接支架
经分析,设计成自动送料的一出二连续拉深多工位级进模来生产,并在级进模内设计有自动攻螺纹技术,这样一来大大降低工人的劳动强度和生产成本。有效保证了制件的质量,提高该制件在市场的竞争能力。
该制件须向下拉深、弯曲较为合理。并要求在制件的拉深内径攻M6螺纹孔,那么在生产中需经过冲切外形废料、拉深、攻螺纹、弯曲、切断等工序组合而成,均经合理分解后,按一定的成形顺序要求设置在不同的冲压工位上。
该制件内孔为M6的挤压攻螺纹,经过积累的经验得出,满足该制件的M6螺牙,那么对攻螺纹前拉深内径要控制在∅5.65±0.02mm才能达成。如攻螺纹前拉深内径偏大会造成M6的螺牙不饱和,反之内径偏小造成挤压丝锥容易折断,将无法正常生产。其中M6的螺纹孔,要求在级进模内同时完成自动攻螺纹工艺。由压力机一次行程生产出2个完整的拉深、弯曲及攻螺纹的制件,故生产效率高,但同时在冲压过程中实现拉深、弯曲及自动攻螺纹等功能大大提高了模具设计与制造的难度。